


keyboard_arrow_rightkeyboard_arrow_left
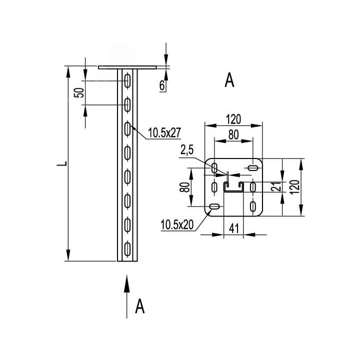
Подвес вертикальный одиночный BSP-21 41х21 мм применяется для монтажа консолей - ВВН-60, ВВН-70, BBD-21, BBP-21/41, одностороннего монтажа кабельных трасс, потолочного или напольного крепления. Подвес имеет С-образный профиль толщиной 2,5 мм, толщина пластины 6 мм. В основании 6 отверстий под метизы М10. Длина подвеса - 300 мм.
Характеристики
Особые артикулы
На данный момент нет отзывов от покупателей