


keyboard_arrow_rightkeyboard_arrow_left
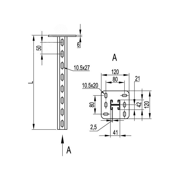
Вертикальный подвес BSD-21 используется при монтаже кабельных трасс на консолях - ВВН-60, ВВН-70, BBD-21, ВВР-21/41. Одно/двусторонний и параллельный монтаж кабельных трас. Они крепятся вертикально - к полу или потолку. С-образный двойной профиль подвеса 41х21 мм. Длина 1000 мм, толщина профиля подвеса - 2,5 мм, толщина пластины - 6 мм. В основании 6 отверстий под метизы М10.
Характеристики
Особые артикулы
На данный момент нет отзывов от покупателей