


keyboard_arrow_rightkeyboard_arrow_left
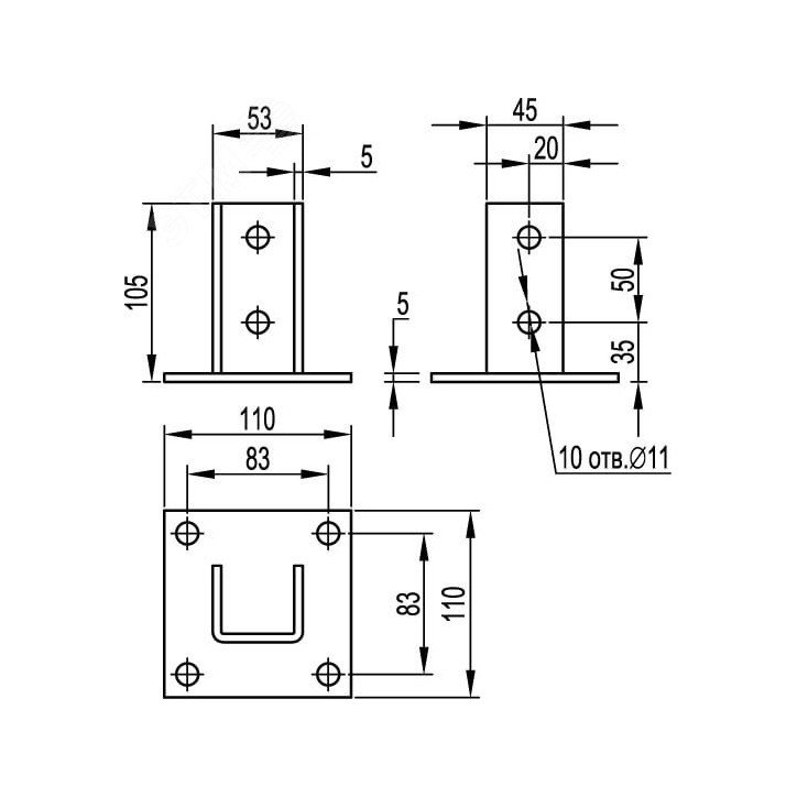
Крепление к потолку BSF-41, применяется для монтажа профилей - BPL-41, BPM-41, BPV-41, BPD-21, организации подвеса кабельной трассы, в качестве напольной опоры. В основании 4 отверстия под метизы М10. Противокоррозионное цинкнаполненное покрытие повышает срок службы изделия в условиях агрессивных сред и высокой влажности.
Характеристики
Особые артикулы
На данный момент нет отзывов от покупателей