


keyboard_arrow_rightkeyboard_arrow_left
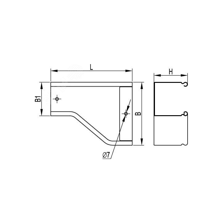
Элементы, входящие в состав системы ''S5 Combitech'' позволяют предусмотреть любые особенности проектирования и монтажа трассы. При построении кабельных трасс может возникать ситуация, когда требуется увеличить или уменьшить ширину лотка. Для этого применяется переходник (редукция) - аксессуар, имеющий разную ширину в начале и в конце. Правосторонняя редукция - аксессуар, который расширяется с правой стороны. Такой конструктив позволяет размещать переходник вплотную к стене. Ширина его составляет 300 мм в узкой части и 400 мм - в широкой. Максимальная степень пыле- и влагозащиты - IP44 (при использовании вместе с крышкой). Высота - 50 мм. Исполнение - ''сталь, оцинкованная по методу Сендзимира''. В состав комплектного аксессуара входят необходимые крепежные элементы и соединительные пластины.
Характеристики
Особые артикулы
На данный момент нет отзывов от покупателей