


keyboard_arrow_rightkeyboard_arrow_left
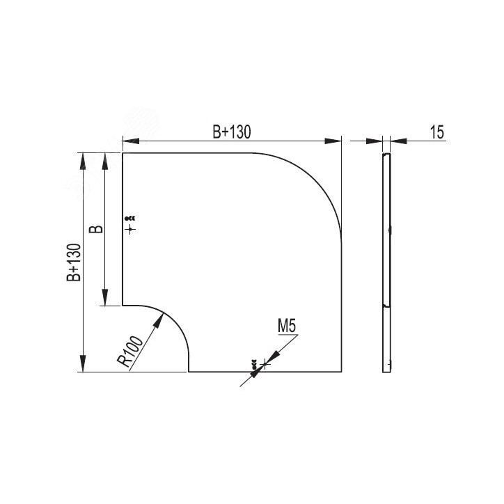
Крышка на угол легко и надежно крепится, предотвращая попадание влаги и крупных частиц внутрь лотка. При необходимости можно на время снять крышку для доступа к кабелю – для этого не требуется специальных инструментов. Исполнение аксессуара – ''сталь, оцинкованная по методу Сендзимира''. Длина – 330 мм, ширина – 200 мм. Крышка поставляется в комплекте с крепежными элементами, необходимыми для качественного и надежного монтажа.
Характеристики
Особые артикулы
На данный момент нет отзывов от покупателей