


keyboard_arrow_rightkeyboard_arrow_left
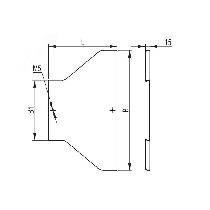
Крышка на симметричный переходник RRC легко и надежно фиксируется, защищая кабель от негативного воздействия воды и крупных частиц. При необходимости крышку можно на время снять для доступа к кабелю – для этого не требуется специальных инструментов. Исполнение – ''сталь, оцинкованная по методу Сендзимира''. Крышка подходит для переходника с ширины 100 мм на ширину 50 мм. Крышка поставляется в комплекте с крепежными элементами, необходимыми для качественного и надежного монтажа.
Характеристики
Особые артикулы
На данный момент нет отзывов от покупателей