








keyboard_arrow_rightkeyboard_arrow_left
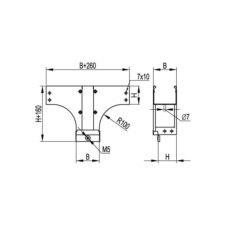
Фальцевый зажим используется для крепления катанки 8-10 мм к фальцу кровли или другим металлическим конструкциям. Материал - горячеоцинкованная сталь. Диапазон зажима - 12 мм.
Характеристики
Особые артикулы
На данный момент нет отзывов от покупателей