

keyboard_arrow_rightkeyboard_arrow_left
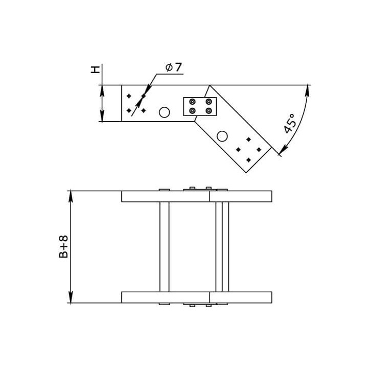
Широкий выбор аксессуаров для линейки листовых лотков ''S5 Combitech'' позволяют строить трассы любой сложности. Горизонтальный изменяемый угол - это элемент, применение которого позволяет создавать плавные повороты трассы под углом 0-45 градусов в горизонтальной плоскости. Конструктив аксессуара предотвращает повреждение кабеля при прокладке. Изменяемый угол СРО доставляется в разобранном виде. Толщина стали - 0.8 мм. Высота - 100 мм, ширина - 150 мм. Аксессуары в исполнении ''Цинк-ламель'' имеют специальное покрытие на основе химически активной магниевой смолы, в которую добавлены хлопья алюминия и цинка. Такое покрытие обеспечивает электрохимическую и барьерную защиту от коррозии. Показатели коррозионной стойкости цинк-ламельного покрытия ДКС аналогичны показателям горячеоцинкованного покрытия.
Характеристики
Особые артикулы
На данный момент нет отзывов от покупателей