


keyboard_arrow_rightkeyboard_arrow_left
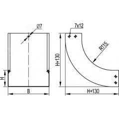
Применение лотков и аксессуаров системы ''S5 Combitech'' позволяют конструировать и строить кабельные трассы сложной формы, с поворотами и изгибами, как горизонтальными, так и вертикальными. Вертикальный угол внутренний применяется для того, чтобы развернуть трассу в вертикальной плоскости. Аксессуар позволяет осуществить плавный поворот на 90 градусов. Он совместим с лотками шириной 150 мм и высотой 100 мм. Внутренний радиус аксессуара - 115 мм. Толщина стали - 0.8 мм. В состав комплектного аксессуара входит все необходимое для надежного монтажа - необходимые крепежные элементы и соединительные пластины. Аксессуары в исполнении ''Цинк-ламель'' имеют специальное покрытие на основе химически активной магниевой смолы, в которую добавлены хлопья алюминия и цинка. Такое покрытие обеспечивает электрохимическую и барьерную защиту от коррозии. Показатели коррозионной стойкости цинк-ламельного покрытия ДКС аналогичны показателям горячеоцинкованного покрытия.
Характеристики
Особые артикулы
На данный момент нет отзывов от покупателей