


keyboard_arrow_rightkeyboard_arrow_left
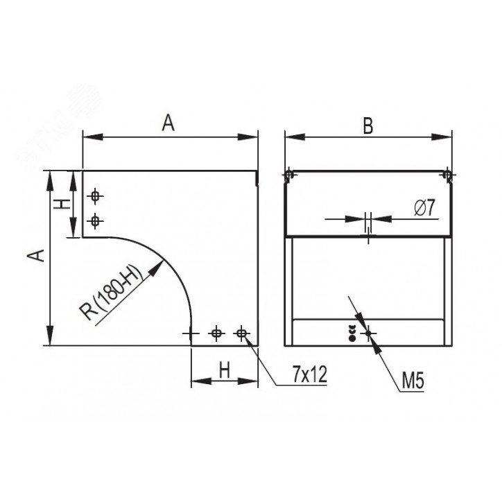
Система листовых лотков ''S5 Combitech'' предназначена для построения кабельных трасс, в т.ч. сложного конструктива. Входящие в состав системы повороты позволяют разворачивать трассу под определенным углом в желаемой плоскости. Вертикальный угол 90о CDV обеспечивает поворот трассы в вертикальной плоскости под углом 90 градусов. В состав комплектного аксессуара входят детали, необходимые для качественного и надежного монтажа - соединительные пластины и крепежные элементы. Ширина - 300 мм, высота - 50 мм. Он выполнен в специальном исполнении ''Горячий цинк'', которое отличает повышенная устойчивость к коррозии. Горячеоцинкованное изделие защищено от образования ржавчины на срок 30-50 лет (в зависимости от условий, в которых эксплуатируется изделие).
Характеристики
Особые артикулы
На данный момент нет отзывов от покупателей