


keyboard_arrow_rightkeyboard_arrow_left
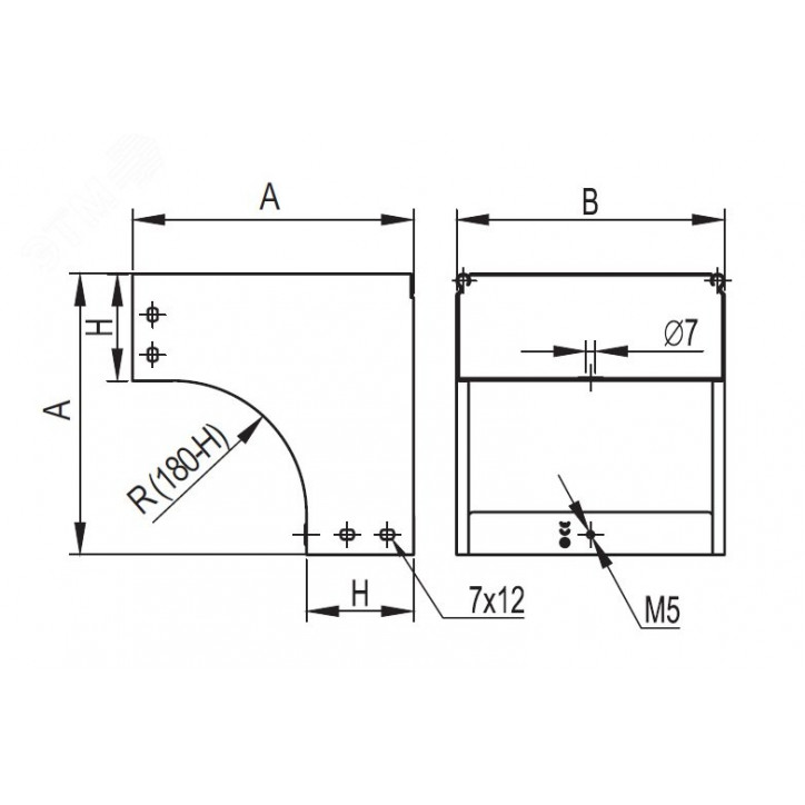
Лотки и аксессуары системы ''S5 Combitech'' применяются для построения кабельных трасс, в том числе сложного конструктива - с горизонтальными и вертикальными разворотами и изгибами. Вертикальный внешний угол CDV используется для поворота кабельной трассы в вертикальной плоскости с разворотом открытой ее части на 90 градусов вокруг своей оси. При этом плавный изгиб предотвращает повреждение кабеля при прокладке. Ровная боковая часть аксессуара позволяет размещать трассу вдоль стены. Угол совместим с лотками шириной 300 мм и высотой 80 мм. Внутренний радиус аксессуара - 100 мм. Применение комплектных аксессуаров облегчает расчет числа необходимых элементов для монтажа - в комплект уже входят соединительные пластины и детали крепежа. Аксессуар выполнен в специальном исполнении ''Горячий цинк'', которое отличает повышенная устойчивость к коррозии. Горячеоцинкованное изделие защищено от образования ржавчины на срок 30-50 лет (в зависимости от условий, в которых эксплуатируется изделие).
Характеристики
Особые артикулы
На данный момент нет отзывов от покупателей