


keyboard_arrow_rightkeyboard_arrow_left
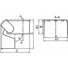
Классические короба и кабель-каналы серии ''In-liner Classic'' выполнены в белом цвете, который отлично подходит как для оформления офисных помещений, так и для жилых. Мини-каналы и короба серии имеют прямоугольную форму. Скромность и функциональность этой серии определяет ее популярность. Входящие в серию аксессуары применяются для простой сборки и оформления кабельной трассы на основе мини-каналов и коробов. Широкий ассортимент изделий позволяет создавать уникальные решения, отвечающие требованиям заказчика. Изделия изготавливаются из прочного пластика, устойчивого к появлению царапин, и покрываются защитной пленкой, предотвращающей повреждения при транспортировке и монтаже. Внешний угол устанавливается на стык трассы и служит для эстетичного оформления углов. Он имеет регулируемый диапазон от 70 до 120 градусов. Аксессуар предназначен для коробов 100х40 мм.
01709
Характеристики
Особые артикулы
На данный момент нет отзывов от покупателей