


keyboard_arrow_rightkeyboard_arrow_left
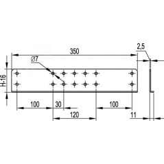
Отличительные особенности системы лестничных лотков ''L5 Combitech'' - высокая несущая способность и надежность кабельной трассы. Применение специальных аксессуаров гарантирует простоту монтажа и прочное соединение лотков между собой. В местах, где трасса подвергается повышенной нагрузке, необходимо применять специальные соединительные пластины. Соединительные пластины GTO изготавливаются из стали (исполнение - ''Цинк-ламельное покрытие''). Они применяются для соединения лотков на участках трассы с повышенной нагрузкой и на больших пролетах. Внешний соединитель применяется с лотками высотой 80 мм. Аксессуары в исполнении ''Цинк-ламельное покрытие'' демонстрируют высокие показатели коррозионной стойкости, сравнимые с устойчивостью к коррозии горячеоцинкованных изделий.
Характеристики
Особые артикулы
На данный момент нет отзывов от покупателей