


keyboard_arrow_rightkeyboard_arrow_left
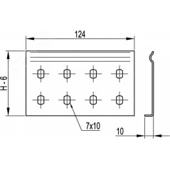
Отличительные особенности системы лестничных лотков ''L5 Combitech'' - высокая несущая способность и надежность кабельной трассы. Применение специальных аксессуаров гарантирует простоту монтажа и прочное соединение лотков между собой. В местах, где трасса подвергается повышенной нагрузке, необходимо применять специальные соединительные пластины. Соединительные пластины GTO изготавливаются из стали (исполнение - ''Цинк-ламельное покрытие''). Они применяются для соединения лотков на участках трассы с повышенной нагрузкой и на больших пролетах. Пластина применяется с лотками высотой 100 мм. Исполнение аксессуара - ''Сталь, оцинкованная по методу Сендзимира''.
Характеристики
Особые артикулы
На данный момент нет отзывов от покупателей