




keyboard_arrow_rightkeyboard_arrow_left
В состав системы ''Express'' входят жесткие и гибкие армированные трубы, аксессуары для их крепления и соединения, корпуса для накладного монтажа электроустановочных изделий ДКС серии ''Viva''. Серия применяется для прокладки электропроводки внутри помещений и в монолитном бетоностроении. Трубы 6UF серии ''Express'' (атмосферостойкие) могут также прокладываться открыто, по фасадам зданий. Держатели служат для фиксации гофрированных и жестких гладких труб к различным поверхностям. Допустим как горизонтальный, так и вертикальный монтаж. Держатели подбираются под условия эксплуатации и диаметр трубы. Держатель из оцинкованной стали с односторонним креплением устойчив к различным климатическим условиям. Он используется для монтажа труб диаметром до 32 мм.
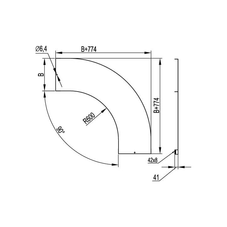
Характеристики
Особые артикулы
На данный момент нет отзывов от покупателей