


keyboard_arrow_rightkeyboard_arrow_left
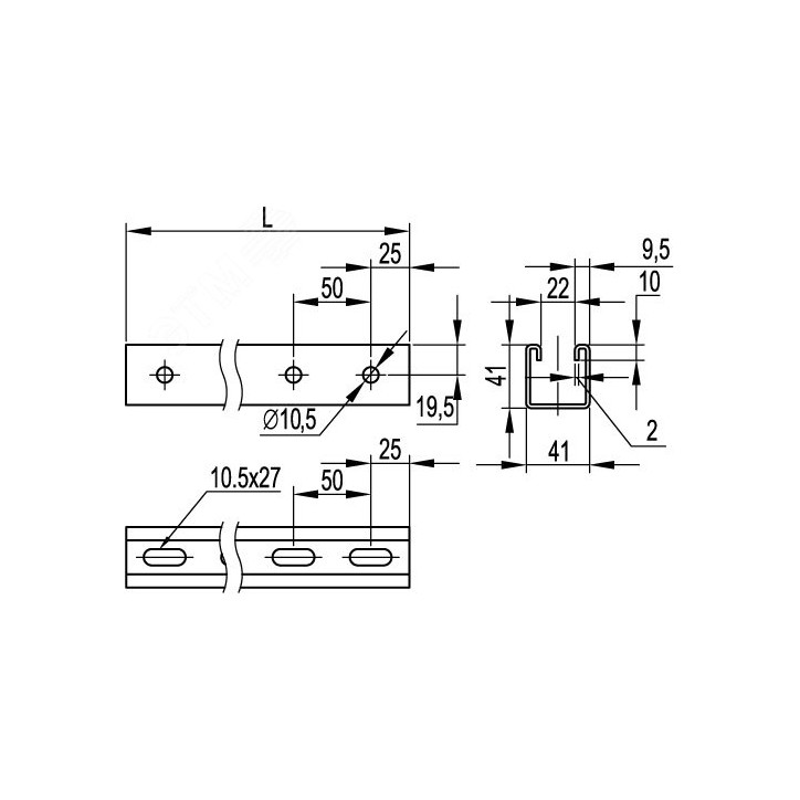
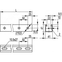
С-образный профиль BPV-41 41х41 мм изготовлен из стали толщиной 2 мм. Применяется для крепления в подвес или к стене, монтажа консолей - ВВН-60, ВВН-70, BBD-21, BBP-21/41, подвеса лотков и световых приборов на шпильках, а также в качестве кабеленесущих систем для осветительных трасс. Длина 300 мм.
Характеристики
Особые артикулы
На данный момент нет отзывов от покупателей