


keyboard_arrow_rightkeyboard_arrow_left
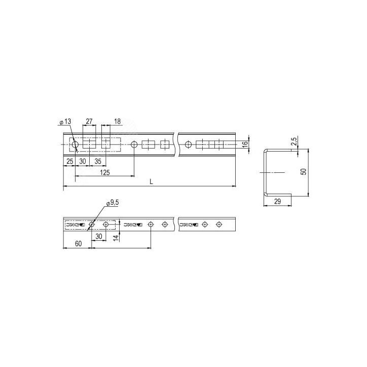
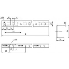
Прямолинейный профиль BPT-29 используется на объектах, где предполагается провести кабельные линии вдоль отвесных стен, имеет П-образную форму, толщину стали 2,5 мм. Входит в систему для прокладки кабеля в тоннелях, кабельных коллекторах и прочих коммуникационных сооружениях любой конфигурации, а также обеспечивает прокладку кабеля для организации временного электроснабжения на строящихся объектах. Элемент этого типа может применяться для крепления к стене, а также крепления рожковых кронштейнов (14 рожков).
Характеристики
Особые артикулы
На данный момент нет отзывов от покупателей