


keyboard_arrow_rightkeyboard_arrow_left
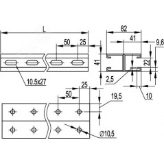
Представляет собой два С-образных профиля 41х41 мм, соединенных друг с другом ‘‘спина к спине’‘. Применяется для монтажа консолей - ВВН-60, ВВН-70, BBD-21, ВВР-21/41, для крепления в подвес, как подвес лотков и световых приборов на шпильках, в качестве кабеленесущих трасс для световых приборов. Горячеоцинкованное покрытие повышает срок службы изделия в условиях агрессивных сред и высокой влажности.
Характеристики
Особые артикулы
На данный момент нет отзывов от покупателей