


keyboard_arrow_rightkeyboard_arrow_left
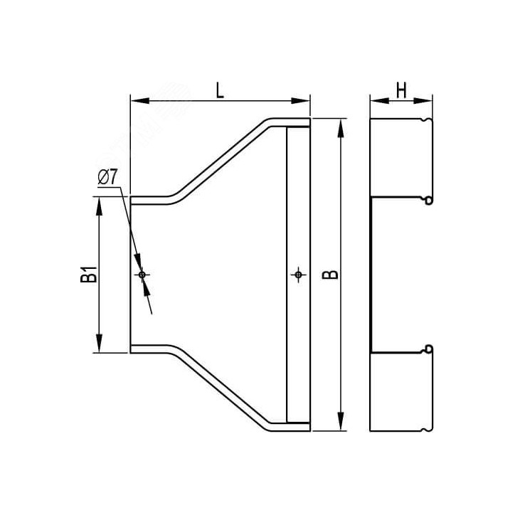
Переходник (редукция) – аксессуар, имеющий разную ширину в начале и в конце. Симметричная редукция – аксессуар, симметричный относительно средней линии, проходящей вдоль его длины. Этот элемент обеспечивает расширение кабельной трассы со 150 мм до 200 мм или же ее сужение. Максимальная степень пыле- и влагозащиты – IP 44 (при использовании вместе с крышкой и уполотнителями). Высота - 50 мм. В состав комплектного аксессуара входят необходимые крепежные элементы и соединительные пластины. Аксессуары в исполнении ‘Цинк-ламель‘ имеют специальное покрытие на основе химически активной магниевой смолы, в которую добавлены хлопья алюминия и цинка. Такое покрытие обеспечивает электрохимическую и барьерную защиту от коррозии. Показатели коррозионной стойкости цинк-ламельного покрытия ДКС аналогичны показателям горячеоцинкованного покрытия.
Характеристики
Особые артикулы
На данный момент нет отзывов от покупателей