


keyboard_arrow_rightkeyboard_arrow_left
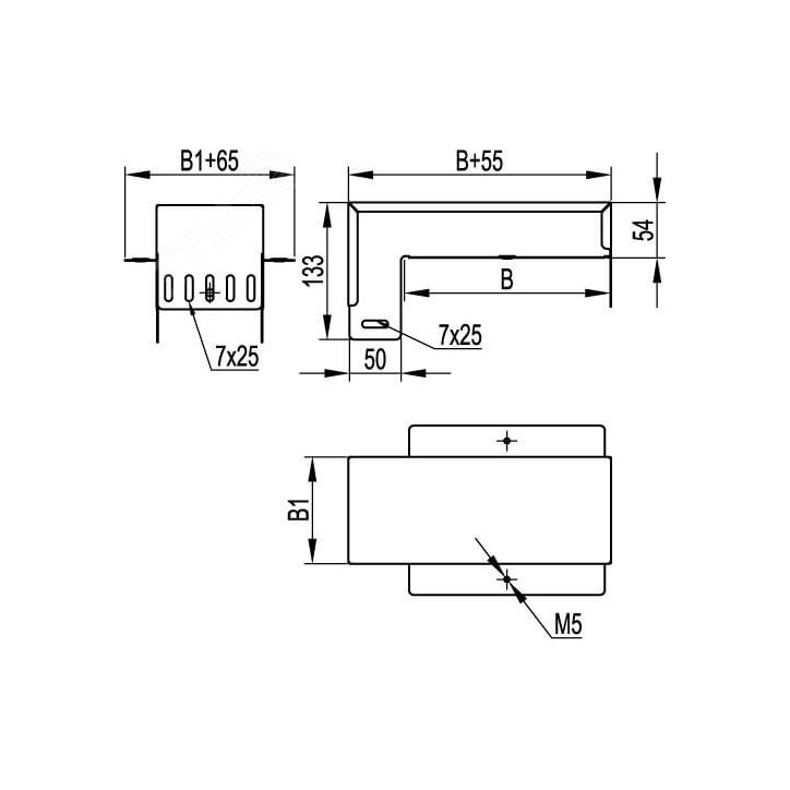
Крышка-ответвитель DDS - один из аксессуаров системы ''S5 Combitech'', необходимый для построения кабельных трасс сложного конструктива. Он применяется, если нужно организовать сложное Т-образное ответвление трассы. При ответвлении кабеля обеспечивается плавный поворот, что предохраняет кабель от повреждения. Ширина лотка в горизонтальном направлении - 150 мм, в вертикальном - 100 мм, высота боковой стенки - 50 мм. Применение комплектных аксессуаров облегчает расчет числа необходимых элементов для монтажа - в комплект уже входят соединительные пластины и детали крепежа. Комплектные аксессуары в исполнении ''Цинк-ламель'' имеют специальное покрытие на основе химически активной магниевой смолы, в которую добавлены хлопья алюминия и цинка. Такое покрытие обеспечивает электрохимическую и барьерную защиту от коррозии. Показатели коррозионной стойкости цинк-ламельного покрытия ДКС аналогичны показателям горячеоцинкованного покрытия.
Характеристики
Особые артикулы
На данный момент нет отзывов от покупателей