


keyboard_arrow_rightkeyboard_arrow_left
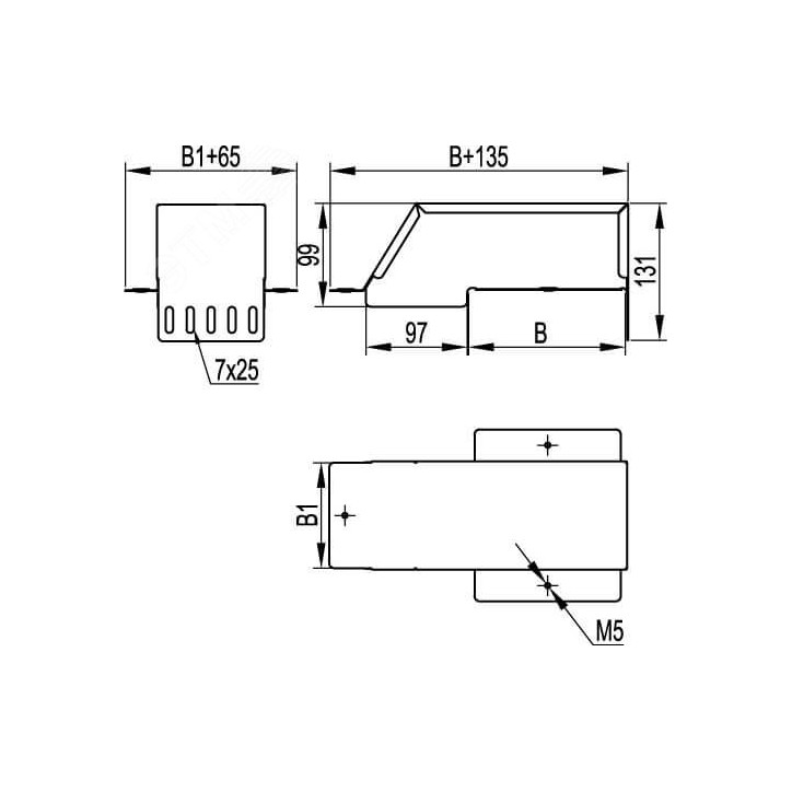
Крышка-ответвитель применяется, если нужно организовать сложное ответвление кабельной трассы вверх или вниз. Она имеет Т-образную форму. При ответвлении кабеля обеспечивается плавный поворот, что предохраняет трассу от повреждения. Крышка-ответвитель стыкуется с прямыми элементами системы ''S5 Combitech'' внахлест или же с помощью соединительных пластин, если торцы не совпадают. Ширина лотка в горизонтальном направлении - 50 мм, в вертикальном - 200 мм. Применение комплектных аксессуаров облегчает расчет числа необходимых элементов для монтажа - в комплект уже входят соединительные пластины и детали крепежа. Комплектные аксессуары в исполнении ''Цинк-ламель'' имеют специальное покрытие на основе химически активной магниевой смолы, в которую добавлены хлопья алюминия и цинка. Такое покрытие обеспечивает электрохимическую и барьерную защиту от коррозии. Показатели коррозионной стойкости цинк-ламельного покрытия ДКС аналогичны показателям горячеоцинкованного покрытия.
Характеристики
Особые артикулы
На данный момент нет отзывов от покупателей