


keyboard_arrow_rightkeyboard_arrow_left
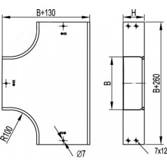
При построении сложных кабельных трасс необходимы специальные аксессуары - повороты и ответвители. С их помощью можно конструировать и собирать кабельные трассы сложного конструктива. Т-образный тройник (ответвитель) DPT позволяет создавать ответвления трассы в горизонтальной и вертикальной плоскости. В состав комплектного аксессуара входят соединительные пластины и крепежные элементы, необходимые для надежного и качественного монтажа. Ширина - 600 мм, высота - 100 мм, внутренний радиус - 100 мм. Аксессуары в исполнении ''Цинк-ламель'' имеют специальное покрытие на основе химически активной магниевой смолы, в которую добавлены хлопья алюминия и цинка. Такое покрытие обеспечивает электрохимическую и барьерную защиту от коррозии. Показатели коррозионной стойкости цинк-ламельного покрытия ДКС аналогичны показателям горячеоцинкованного покрытия.
Характеристики
Особые артикулы
На данный момент нет отзывов от покупателей