


keyboard_arrow_rightkeyboard_arrow_left
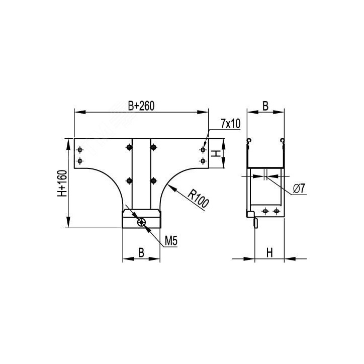
Ответвители - это аксессуары, облегчающие построение кабельных трасс сложной геометрии, с поворотами и изгибами. Они позволяют создавать ответвления кабельной трассы. Универсальный ответвитель TDS имеет Т-образную форму и применяется для организации поворотов и ответвлений в вертикальной плоскости. Его конструктив обеспечивает плавный поворот и предупреждает повреждение кабеля при прокладке. При применении вместе с крышкой обеспечивается высокая степень пыле- и влагозащиты кабеля - до IP44, и при этом простой доступ к кабелю, т.к. крышку можно снять при необходимости. Исполнение - ''сталь, оцинкованная по методу Сендзимира''. Высота боковой стенки лотка - 80 мм, ширина в горизонтальном направлении - 200 мм, ширина в вертикальном направлении - 200 мм. Применение комплектных аксессуаров облегчает расчет числа необходимых элементов для монтажа - в комплект уже входят соединительные пластины и детали крепежа.
Характеристики
Особые артикулы
На данный момент нет отзывов от покупателей