


keyboard_arrow_rightkeyboard_arrow_left
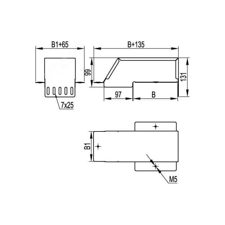
Крышка-ответвитель применяется, если нужно организовать сложное ответвление кабельной трассы вверх или вниз. Она имеет Т-образную форму. При ответвлении кабеля обеспечивается плавный поворот, что предохраняет трассу от повреждения. Крышка-ответвитель стыкуется с прямыми элементами системы ''S5 Combitech'' внахлест или же с помощью соединительных пластин, если торцы не совпадают. Исполнение аксессуара - ''сталь, оцинкованная по методу Сендзимира''. Ширина лотка в горизонтальном направлении - 100 мм, в вертикальном - 200 мм. Применение комплектных аксессуаров облегчает расчет числа необходимых элементов для монтажа - в комплект уже входят соединительные пластины и детали крепежа.
Характеристики
Особые артикулы
На данный момент нет отзывов от покупателей