


keyboard_arrow_rightkeyboard_arrow_left
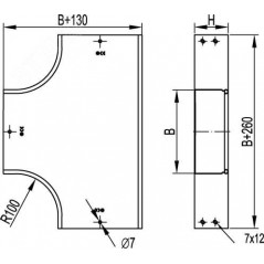
При построении сложных кабельных трасс необходимы специальные аксессуары - повороты и ответвители. С их помощью можно конструировать и собирать кабельные трассы сложного конструктива. Т-образный тройник (ответвитель) DPT позволяет создавать ответвления трассы в горизонтальной и вертикальной плоскости. В состав комплектного аксессуара входят соединительные пластины и крепежные элементы, необходимые для надежного и качественного монтажа. Исполнение аксессуара - ''сталь, оцинкованная по методу Сендзимира'', ширина - 600 мм, высота - 80 мм, внутренний радиус - 100 мм.
Характеристики
Особые артикулы
На данный момент нет отзывов от покупателей