


keyboard_arrow_rightkeyboard_arrow_left
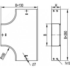
При построении сложных кабельных трасс необходимы специальные аксессуары - повороты и ответвители. С их помощью можно конструировать и собирать кабельные трассы сложного конструктива. Т-образный тройник (ответвитель) DPT позволяет создавать ответвления трассы в горизонтальной и вертикальной плоскости. В состав комплектного аксессуара входят соединительные пластины и крепежные элементы, необходимые для надежного и качественного монтажа. Ширина - 100 мм, высота - 50 мм. Исполнение - ''Горячий цинк''. Это специальное исполнение, которое отличается повышенной устойчивостью к коррозии. Изделия с таким покрытием можно применять даже в условиях агрессивной среды, повышенной влажности, солевого тумана.
Характеристики
Особые артикулы
На данный момент нет отзывов от покупателей