


keyboard_arrow_rightkeyboard_arrow_left
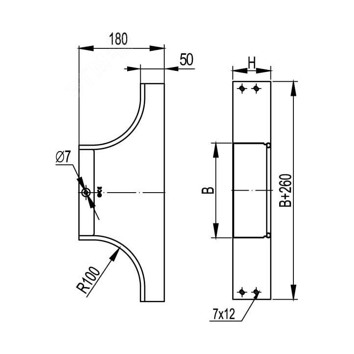
В систему листовых лотков ''S5 Combitech'' помимо самих лотков входят аксессуары, необходимые для построения сложных кабельных трасс - ответвители и повороты. В состав системы входят крышки для лотков и аксессуаров, применение которых вместе с уплотнителями позволяют надежно защитить кабель от воздействия окружающей среды. В комплект ответвителя DL входят необходимые для монтажа детали - крепежные элементы и соединительные пластины. Ширина лотка - 200 мм, высота - 100 мм. Исполнение - ''Горячий цинк''. Это специальное исполнение, которое отличается повышенной устойчивостью к коррозии. Изделия с таким покрытием можно применять даже в условиях агрессивной среды, повышенной влажности, солевого тумана.
Характеристики
Особые артикулы
На данный момент нет отзывов от покупателей