


keyboard_arrow_rightkeyboard_arrow_left
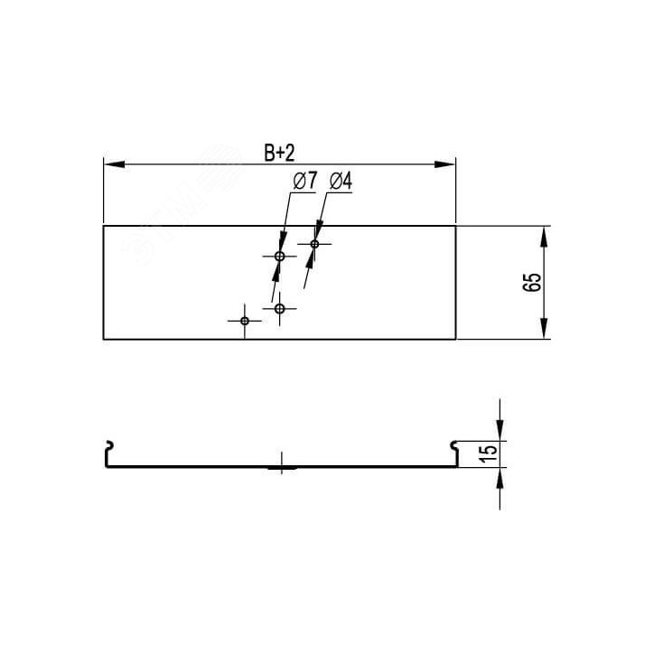
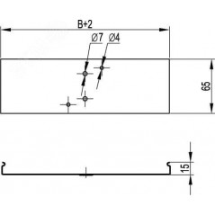
Отличительные особенности системы листовых лотков ''S5 Combitech'' - высокий уровень защиты кабеля при прокладке и в процессе эксплуатации, а также высокая надежность кабельной трассы. Применение специальных аксессуаров гарантирует простоту монтажа и прочное соединение лотков между собой. В случае, если крышка лотка была отрезан неровно и при соединении лотков с крышкой возникает стык, он может быть закрыт соединительной пластиной CGС. Накладка также применяется для дополнительного укрепления мест стыков. Накладка применяется с лотками шириной 100 мм. Аксессуары в исполнении ''Цинк-ламель'' имеют специальное покрытие на основе химически активной магниевой смолы, в которую добавлены хлопья алюминия и цинка. Такое покрытие обеспечивает электрохимическую и барьерную защиту от коррозии. Показатели коррозионной стойкости цинк-ламельного покрытия ДКС аналогичны показателям горячеоцинкованного покрытия.
Характеристики
Особые артикулы
На данный момент нет отзывов от покупателей