




keyboard_arrow_rightkeyboard_arrow_left
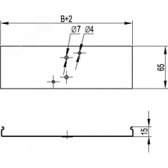
Отличительные особенности системы листовых лотков ''S5 Combitech'' - высокий уровень защиты кабеля при прокладке и в процессе эксплуатации, а также высокая надежность кабельной трассы. Применение специальных аксессуаров гарантирует простоту монтажа и прочное соединение лотков между собой. В случае, если крышка лотка была отрезан неровно и при соединении лотков с крышкой возникает стык, он может быть закрыт соединительной пластиной CGС. Накладка также применяется для дополнительного укрепления мест стыков. Исполнение - ''сталь, оцинкованная по методу Сендзимира'', применяется с лотками шириной 200 мм.
Характеристики
Особые артикулы
На данный момент нет отзывов от покупателей