


keyboard_arrow_rightkeyboard_arrow_left
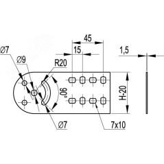
Система листовых лотков ''S5 Combitech'' включает в себя не только сами лотки, но также аксессуары, которые позволяют проектировать и строить сложные кабельные трассы нестандартного конструктива. Крепежная пластина GSV - это шарнирный соединитель для лотков, применение которого позволяет поменять уровень прокладки трассы, наклонив ее под произвольным углом (угол регулируется движением болта по дугообразному пазу). Пластина закрепляется на боковых стенках лотка гайками с насечками М6 и винтами М6х10. Исполнение аксессуара - ''сталь, оцинкованная по методу Сендзимира''. Пластина подходит для применения с лотками высотой 100 мм и шириной от 50 до 600 мм. В комплект входят 4 пластины и включены необходимые для монтажа метизы.
Характеристики
Особые артикулы
На данный момент нет отзывов от покупателей