


keyboard_arrow_rightkeyboard_arrow_left
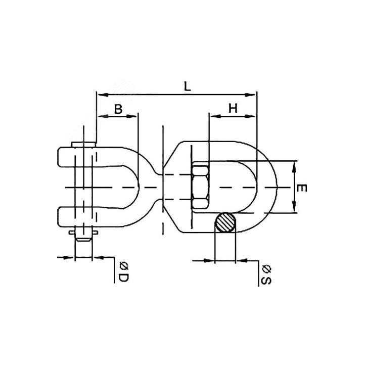
В состав системы универсальных крепежных элементов ''M5 Combitech'' входят такелажные изделия. Они предназначены для облегчения монтажных работ, связанных с подъемом грузов. Такелаж ДКС отличается высокой прочностью и надежностью. Изделия имеют антикоррозионное покрытие и могут служить долгие годы. Широкий ассортимент такелажных элементов ДКС позволяет решать любые задачи, связанные с монтажом кабеленесущих систем и опорных конструкций. Вертлюг петля-вилка D8 применяется для предотвращения скручивания цепи или же для того, чтобы обеспечить свободное вращение подвешенных конструкций. Кольца вращаются независимо друг от друга.
Характеристики
Особые артикулы
На данный момент нет отзывов от покупателей