



keyboard_arrow_rightkeyboard_arrow_left
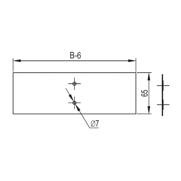
Перфорированные листовые лотки применяются для прокладки кабеля как в помещении, так и на открытом воздухе. Лотки отличаются высокой несущей способностью – подформовка, производимая при производстве этой продукции, создает дополнительное ребро жесткости, что увеличивает несущую способность системы до 54%. В лотках имеются отверстия для отвода кабеля. Метод соединения 'мама-папа' применяемый для системы, существенно сокращает время монтажа и создает непрерывный контур. Конструктив предупреждает повреждение кабеля при прокладке. Перфорированные лотки в исполнении 'Цинк-ламель' имеют специальное покрытие, устойчивое к коррозии из химически активной магниевой смолы с добавлением хлопьев цинка и алюминия. Цинк-ламельное покрытие изделий по коррозионной устойчивости аналогично покрытию 'Горячий цинк'. Оно обеспечивает электрохимическую и барьерную защиту от коррозии.
Характеристики
Особые артикулы
На данный момент нет отзывов от покупателей