


keyboard_arrow_rightkeyboard_arrow_left
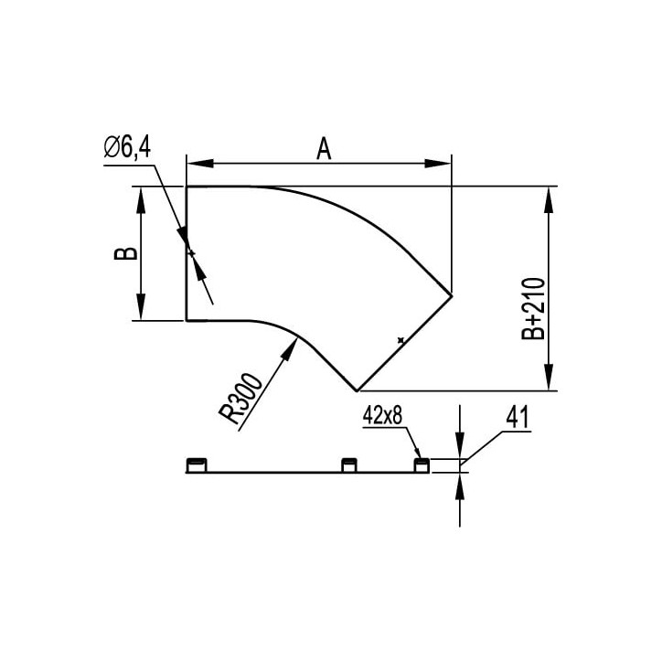
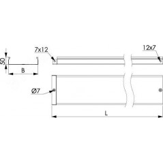
Неперфорированные листовые лотки ДКС применяются для прокладки кабеля как в помещении, так и на открытом воздухе. Лотки отличаются высокой несущей способностью - подформовка, производимая при производстве этой продукции, создает дополнительное ребро жесткости, что увеличивает несущую способность системы до 54%. При применении крышки и уплотнителей может достигаться степень пыле- и влагозащиты до IP44. Метод соединения ''мама-папа'' применяемый для системы, существенно сокращает время монтажа и создает непрерывный контур заземления. Конструктив листовых лотков ДКС предупреждает повреждение кабеля при прокладке. Толщина стали - 1.2 мм, высота лотка - 600 мм, ширина - 50 мм, длина - 3000 мм. Лотки в специальном представлении ''Горячий цинк'' имеют повышенную устойчивость к коррозии - они защищены от появления ржавчины на 30-50 лет (в зависимости от того, в каких условиях эксплуатируется кабельная трасса).
Характеристики
Особые артикулы
На данный момент нет отзывов от покупателей