

keyboard_arrow_rightkeyboard_arrow_left
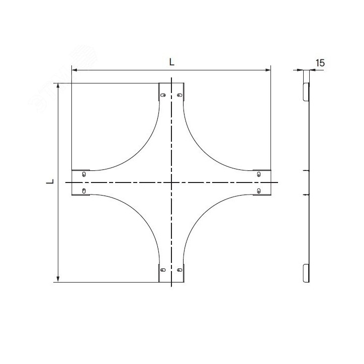
Крышка Х-образного ответвителя обеспечивает защиту кабельной трассы от внешних воздействий. В состав комплектного аксессуара входят детали, необходимые для качественного и надежного монтажа- соединительные пластины и крепежные элементы. Крышка применяется с Х-образными ответвителями линейки ‘S5 Combitech‘ с шириной основания 500 мм. Толщина металла - 1,5 мм. Изделие представлено в специальном исполнении ‘Цинк-ламельное покрытие‘.
Характеристики
Особые артикулы
На данный момент нет отзывов от покупателей