

keyboard_arrow_rightkeyboard_arrow_left
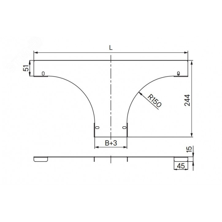
Крышка универсального ответвителя обеспечивает защиту кабельной трассы от внешних воздействий. В состав комплектного аксессуара входят детали, необходимые для качественного и надежного монтажа- соединительные пластины и крепежные элементы. Крышка применяется с универсальными ответвителями линейки ‘S5 Combitech‘ с шириной основания 300 мм. Толщина металла - 1,5 мм. Крышка представлена в исполнении ‘Горячий цинк‘.
Характеристики
Особые артикулы
На данный момент нет отзывов от покупателей