
keyboard_arrow_rightkeyboard_arrow_left
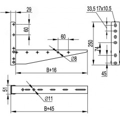
Системы подвесов для металлических лотков предназначены для монтажа металлических лотков (прокатных или проволочных) по элементам здания (потолок, стены, пол). Кронштейн настенный служит для крепления лотка к стене.
Характеристики
Особые артикулы
На данный момент нет отзывов от покупателей