


keyboard_arrow_rightkeyboard_arrow_left
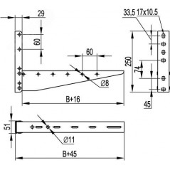
В систему лестничных лотков ''L5 Combitech'' входит ряд аксессуаров, делающих монтаж быстрее, проще и безопаснее. Кронштейн для стенового крепления лонжерона используется для вертикальной установки кабельных лотков лестничного типа. Кронштейн устанавливается на лонжерон лотка и фиксируется к стене анкерами, подобранными в соответствии с материалом поверхности. Аксессуар предназначен для лотков с высотой боковой стенки 50-100 мм. Исполнение аксессуара - ''Сталь, оцинкованная по методу Сендзимира''.
Характеристики
Особые артикулы
На данный момент нет отзывов от покупателей