

keyboard_arrow_rightkeyboard_arrow_left
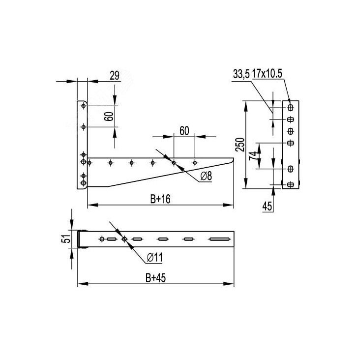
Предназначена для монтажа трассы кабельных лотков. Возможно крепление к стене и в профили BPM-29 и BPL-29, крепление в наклонные подвесы BSV-29.
Характеристики
Особые артикулы
На данный момент нет отзывов от покупателей