


keyboard_arrow_rightkeyboard_arrow_left
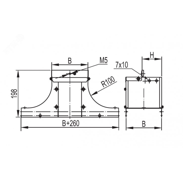
При построении кабельной трассы чаще всего требуется организовать ее изгибы и ответвления в горизонтальной и/или вертикальной плоскости. Для этого в системе ''S5 Combitech'' применяются аксессуары. Крышка-ответвитель TSS используется, если нужно организовать сложное ответвление кабельной трассы. Она имеет Т-образную форму. При ответвлении обеспечивается плавный изгиб, что предохраняет кабель от повреждения. Исполнение аксессуара - ''сталь, оцинкованная по методу Сендзимира''. Ширина лотка в горизонтальном направлении - 150 мм, в вертикальном - 150 мм, высота боковой стенки - 100 мм. В комплект уже включены соединительные пластины и крепежные элементы, которые будут необходимы для монтажа.
Характеристики
Особые артикулы
На данный момент нет отзывов от покупателей